Presenting the LEV DC 2W/3W Vehicle Connector by Trinity Touch. The 2W/3W charging connector is a cutting-edge solution for energy-efficient electric vehicle charging. The innovative product finds application in 2-wheeler and 3-wheeler EVs. This Type 6 charger is engineered to meet the demands of the electric vehicle’s specialized requirements. It stringently adheres to the highest industry standards, including IEC 62196-6:2022.
| Specification | Description | Details |
| Product category | EV | 2-Wheeler vehicle connector (DC) |
| Electrical configuration | Current (Amps) Voltage (Volts) Insulation resistance Withstand voltage HV breakdown (KV AC) |
20 A 120V 500MΩ min. at 500V DC 2000V AC , Leakage current ≤ 2mA 2KV AC GD & CP/PP short circuited at termina 12V supply to VP |
| Approvals | Certificates | ARAI Submitted |
| Materials | Plastic Metal Rubber |
Thermoplastic (black) UL-94 V0 Copper, Copper alloy, SS 304 NBR, EPDM Black (with white ink printing) 10K cylces(Mating Cycles) As per IEC 62196-6:2022 Power conatct (DC+, DC-) Signal contact (CAN-H, CAN-L, CP&PP, +12V/VP, GD/PE) |
| Insert & Withdrawal force | Less than 100N | |
| Working temparture | -25°C to +85°C | |
| Relative humidity | 5%~95%RH non-condensing | |
| Cable | Cable size:- 2.5sq-mm, ø10.6±0.5 & length:- 2.1meter | |
| Degree of protection | IP65 with front cap insertion | |
| Refrence standard | IEC 62196-6:2022 | |
| Fitment with matching part | As per IEC 62196-6:2022 | |
| RoHS/REACH | As per Indian standard | |
| Tracebility | Batch code for each product |
Type 6
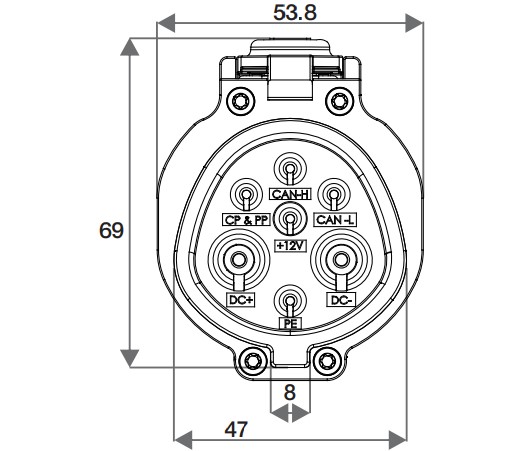
Dimensional Overview
Picture – 1
Picture – 2
| Article no | Description | Rated current (A) | Rated voltage (V) | Power (kW) | Cable size (Sq.mm) | Cable length (m) |
| 011710079 | TTEV20A-120VDC-T6-7C2 | 20 | 120 | 2.4 | 2.5 | 2 |
